
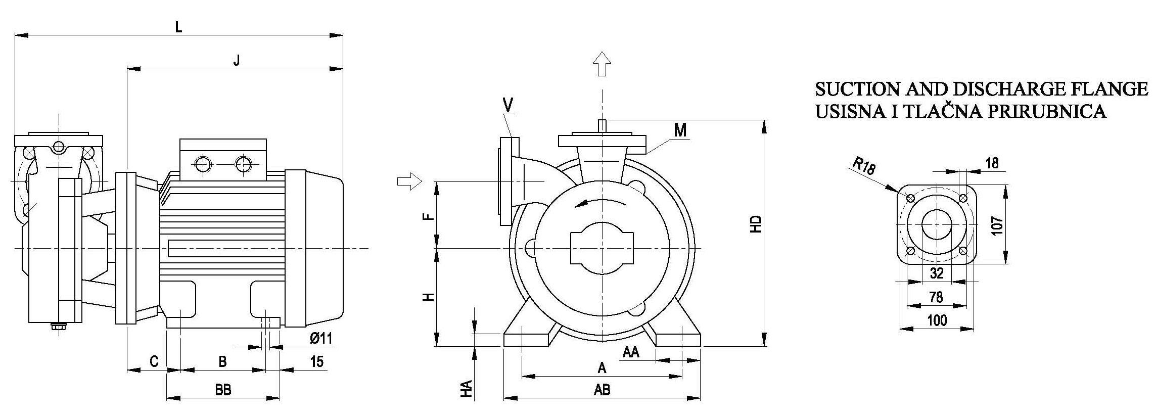
Pumpa tipa HP 40-160 može biti montirana na standardni električni motor, kao i na motor sa specijalnim motorom proširene osovine (pokazano na mjernoj skici), ovisno o karakteristiki određene pumpe
Pumpa tipa: HPS 40-160 – Samosisna pumpa

Pumpa tipa HPS 40-160 je samosisna varijacija od ostalih HP pumpi
. .HP 40-160, HPS 40-160 – SPECIFIKACIJA & KARAKTERISTIKE
| PUMPA | ELEKTRO MOTOR | DIMENZIJE PUMPE | ||||||||||||||||
| TIP | Q (l/min) |
H (m.v.s.) |
Težina | 380V / 50 Hz | 440V / 60 Hz | Težina (kg) |
A | AA | AB | C | H | HA | HD | J | L | |||
| Sivi lijev | Bronca | (kW) | (RPM) | (kW) | (RPM) | |||||||||||||
| HP 40-160 HPS 40-160 |
110-150 | 31-18 | 24.5 | 29.5 | 2.2 | 1500 | – | – | 21.5 | 160 | 47 | 200 | 63 | 100 | 14 | 350 | 305 | 453 |
| 60-110 | 46-31 | 24.5 | 29.5 | 3 | 1500 | – | – | 25 | 160 | 47 | 200 | 63 | 100 | 14 | 350 | 305 | 453 | |
| 133-183 | 45-26.5 | 24.5 | 29.5 | – | – | 4.5 | 1800 | 33 | 190 | 48 | 220 | 70 | 112 | 15 | 362 | 325 | 473 | |
| 73-133 | 68-45 | 30 | 35 | – | – | 6.2 | 1800 | 60 | 216 | 60 | 265 | 89 | 132 | 18 | 382 | 357 | 587 | |
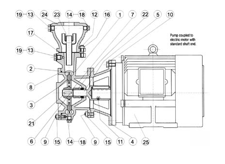
HP 40-160, HPS 40-160 – Presjek

Br. Opis
1. Kućište
2. Poklopac kućišta
3. Rotor
4. Nosač
5. Vratilo pumpe
6. Dvodjelni prsten
7. Prsten
8. O-prsten
9. Vijak M10
10. Vijak M1
11. Vijak M6
12. Kajla M12
13. Čep G1 / 2
14. Čep G1 / 4
15. Matica M10
16. Matica M12
17. Brtveni prsten
18. Brtveni prsten
19. Brtveni prsten
20. Kajla rotora
21. Mehanička brtva
22. Odvajač zraka M6
23. Kućište odvajača zraka
24. Elektro motor
HP 40-160, HPS 40-160 – Karakteristične krivulje


